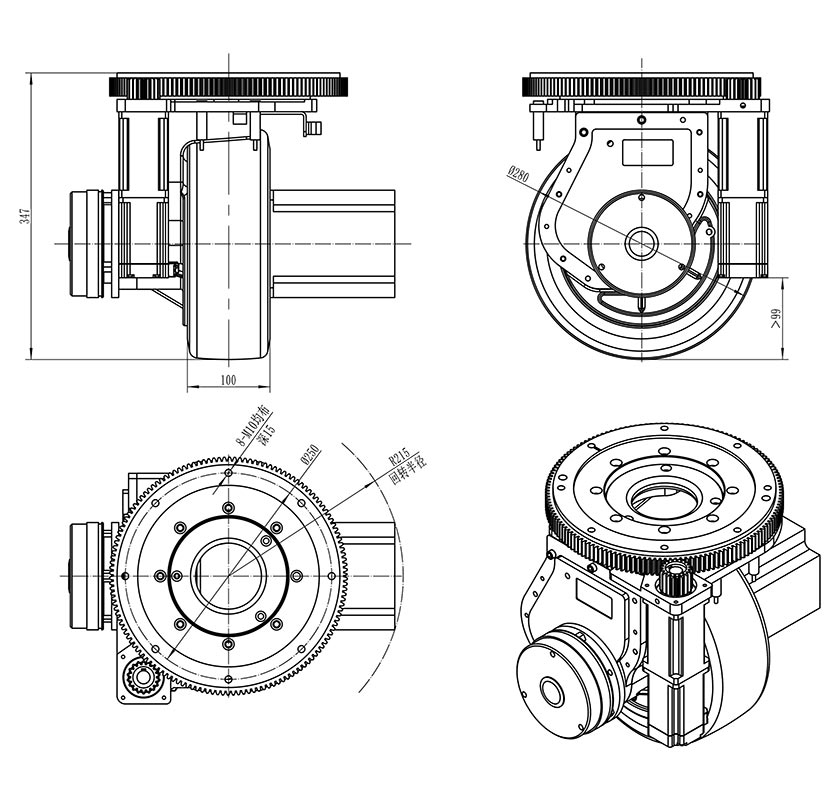
عجلات توجيه أفقية شائعة الاستخدام لسيارة AGV ، بقطر عجلة من ، مجهزة بأنظمة مؤازرة منخفضة الجهد ، تدعم أساليب التحكم المختلفة مثل CANopen ، Modbus ، حافلات EtherCAT والبقول ؛ يتميز صندوق تروس التخفيض الكوكبي بخصائص تحمل عالي وموثوقية عالية. تتميز الفرامل الخارجية وتصميم العجلة القابل للفصل بسهولة بخصائص توليد الحرارة المنخفضة ، ومعدل الفشل المنخفض ، وسهولة الصيانة. يتم تصنيع الآلية الدوارة باستخدام عملية طحن تروس السطح الصلب ، والتي يسهل تحقيق تحكم عالي الدقة.
| معلمة الأداء الرئيسية | |||
| نموذج | HW280-SM1500-48-B | HW280-SM2500-48-B | |
| مؤشر برفومنس | المعلَمة | المعلَمة | |
| محرك السفر | نوع المحرك | محرك سيرفو متزامن دائم المغناطيس | محرك سيرفو متزامن دائم المغناطيس |
| قوة المحرك كيلو واط | 1.5 | 2.5 | |
| الجهد الخامس | 48 | 48 | |
| تصنيف التيار أ | 37.4 | 61 | |
| عزم الدوران المقنن نانومتر | 5 | 7.96 | |
| السرعة المقدرة r/min | 3000 | 3000 | |
| نوع الطلب | مرسل عالى | مرسل عالى | |
| علبة التروس | نوع المخفض | تخفيض السرعة الثانوية | تخفيض السرعة الثانوية |
| نسبة المخفض | ، 1 | 43 | |
| فرامل | عزم دوران الفرامل نانومتر | 16 | 16 |
| الجهد المقنن | DC24 | DC24 | |
| عجلة | مادة قلابة | البولي يوريثيرين/المطاط | البولي يوريثيرين/المطاط |
| حجم العجلة | Φ280x100 | Φ280x100 | |
| جزء التوجيه | نوع المحرك | محرك سيرفو متزامن دائم المغناطيس | محرك سيرفو متزامن دائم المغناطيس |
| قوة المحرك كيلو واط | 0.4 | 0.4 | |
| الجهد الخامس | 48 | 48 | |
| تصنيف التيار أ | 37.4 | 61 | |
| عزم الدوران المقنن نانومتر | 1.27 | 1.27 | |
| السرعة المقدرة r/min | 3000 | 3000 | |
| نوع المخفض | تخفيض تروس كوكبي ثانوي | تخفيض تروس كوكبي ثانوي | |
| نسبة التخفيض | رقاقات: 1 | رقاقات: 1 | |
| نوع الطلب | مغلف كرمنتال/التشفير المطلق | مغلف كرمنتال/التشفير المطلق | |
| أخرى | زاوية الحد من التوجيه | ± Not ° | ± Not ° |
| سرعة السفر م/دقيقة | 0-60 | 0-60 | |
| الجر تصنيفا ن | 1010 | 1600 | |
| تحمل القدرة كجم | 2000 | 2000 | |
| الوزن الصافي كجم | 60 | 63 | |
نسبة التخفيض اختيارية: ، 86. تستخدم للروبوتات المتنقلة (AGV) ، مكدفات البليت ، شاحنات البليت ، كاسحات ، شاحنات العمل الجوية ، إلخ. | |||

سعة حمل/جر عالية لحجمه: بسعة حمل تصل إلى ~ من من من من من من من حيث المساحة إلى ~ ~ هذه العجلة تناسب تطبيقات روبوت AGV أو المحمول الثقيلة حيث هناك حاجة إلى عجلة قيادة مدمجة ولكن قادرة.
واجهات التحكم المرنة: يعني دعم ناقل مودبوس مفتوح ، إيثركات ، والتحكم في النبض دمج أسهل في مجموعة متنوعة من أنظمة التشغيل الآلي وبنية التحكم المعاصرة.
بصمة مدمجة: حجم العجلة وتصميمها يجعلها مناسبة للمنشآت حيث المساحة محدودة ، مما يساعد على تقليل حجم الهيكل أو زيادة كفاءة التخطيط الداخلي.
تصميم ميكانيكي موثوق: يضمن استخدام علبة تروس عالية التحمل مع عملية طحن تروس بسطح صلب الأسنان دقة عالية واهتزاز منخفض وعمر طويل.
الصيانة المبسطة وقابلية الخدمة: تم وصف العجلة بأنها قابلة للفصل بسهولة ، ويتيح تصميم المكابح الخارجية خدمة أسهل ، مما يقلل من وقت التوقف عن العمل وتكاليف الصيانة.
اختيار مواد الإطارات: تسمح الإطارات المصنوعة من البولي يوريثان أو المطاط بتضمين العجلة للأسطح الملساء الداخلية (الهادئة والمنخفضة التآكل) أو للأسطح الأكثر تطلبًا (المطاط لقبضة أفضل/خارجية).
ملف تعريف سرعة جيد لبيئات AGV: على الرغم من أنه ليس فائق السرعة ، فإن ما يصل إلى 60 م/دقيقة يكفي للعديد من شاحنات البليت ، والمضخات ، وأجهزة تخزين AGVs والروبوتات المتنقلة.
قدرة التوجيه: مع مؤازرة توجيه مدمجة (± °) تدعم العجلة وظيفة الانعطاف/الدوران ، مما يحسن القدرة على المناورة في الأماكن الضيقة أو الممرات الضيقة.
اتصل بنا للحصول على حل نظام القيادة الخاص بك AGV.
هاتف:
عبر الإنترنت:
العنوان:
No. 17, Jingwu Road, Pingdu Economic Development Zone, Qingdao, Shandong 266700, China.