تتميز عجلة قيادة محرك HL230 AC بمحركات حثية تيار متردد 1.2 كيلو وات مع: تخفيض واحد للعتاد ، مما يوصل إلى: من السرعة من من من من من من وإلى وإلى متوفرة بنسب تخفيض متعددة (من من من البولي يوريثين/العجلات المطاطية φ230x75mm) ، توفر أقصى جر 2500N لآلات AGVs الثقيلة ومعدات مناولة المواد.
| معلمة الأداء الرئيسية | |||
| نموذج | HL230-AC1600-24-22B | HL230-AC2200-24-22B | |
| مؤشر برفومنس | المعلَمة | المعلَمة | |
| محرك السفر | نوع المحرك | موتور حث تيار متردد | موتور حث تيار متردد |
| قوة المحرك كيلو واط | 1.6 | 2.2 | |
| الجهد الخامس | 24 | 24 | |
| تصنيف التيار أ | 78 | 105 | |
| عزم الدوران المقنن نانومتر | 5.66 | 6.26 | |
| السرعة المقدرة r/min | 2560 | 3352 | |
| نوع الطلب | نوع النبض | نوع النبض | |
| علبة التروس | نوع المخفض | تخفيض السرعة الثانوية | تخفيض السرعة الثانوية |
| نسبة المخفض | تقييم: 1 | تقييم: 1 | |
| فرامل | عزم دوران الفرامل نانومتر | 16 | 16 |
| الجهد المقنن | DC24 | DC24 | |
| عجلة | مادة قلابة | البولي يوريثيرين/المطاط | البولي يوريثيرين/المطاط |
| حجم العجلة | Φ230x75 | Φ230x75 | |
| أخرى | زاوية الحد من التوجيه | لا شيء | لا شيء |
| سرعة السفر م/دقيقة | 0-، من | 0-، من | |
| الجر تصنيفا ن | 1000 | 1080 | |
| الحد الأقصى للجر N | 2500 | 2700 | |
| تحمل القدرة كجم | 1200 | 1200 | |
| الوزن الصافي كجم | 58 | 60 | |
الجهد اختياري: العاصمة 24V نسبة التخفيض اختيارية: من من من من من ؟ ؟ ؟ تستخدم للروبوتات المتنقلة (AGV) ، مكدفات البليت ، شاحنات البليت ، كاسحات ، شاحنات العمل الجوية ، إلخ. | |||

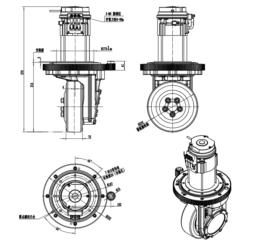
تفاصيل الموتور والعتاد
محرك حثي تيار متردد مع إما = كيلو وات أو = كيلو وات لمتغيري الطراز (من من من من الجنسين).
سرعات محرك مصنفة حوالي 2 دورة في الدقيقة (من أجل من من من من من من من ؟ ؟ ؟ كيلو وات) أو 3 دورة في الدقيقة (من أجل من من من ؟ ؟ ؟ ؟
ترس تخفيض السرعة (الترس الثانوي)-النسبة الافتراضية هي: 1 ، بنسب اختيارية: 1 ، و: 1 ، و: 1 ، و: 1.
العجلات والإطارات
حجم العجلات: φ230 × 75 ، مع مادة الإطارات: البولي يوريثان/المطاط.
صُممت لتكوينة القيادة العمودية (تشير عجلة القيادة العمودية إلى الفئة) على الرغم من التسمية هنا عجلة قيادة محرك تيار متردد.
الأداء/القدرة
سرعة السفر: 0-، م/دقيقة.
الجر المقنن: ~ 1 000 N (طراز 8000 كيلو وات) أو ~ 1 080 N (طراز 47 كيلو وات)
الحد الأقصى للجر: يصل إلى ~ 8000 (من من من من من ؟ ؟) أو ~ من ؟ N (من من من ؟ ؟)
سعة الحمل: من أجل كلا الطرازين (لكل وحدة).
الفرامل والكهربائية
عزم دوران الفرامل: 16 ، نانومتر ، الجهد المقنن للفرامل DC 24 V.
الإدخال/الجهد للمحرك: 24 فولت (ناقل تيار مستمر) هو المعيار المدرج.
مجال التطبيق
مناسبة للروبوتات المتنقلة (AGVs) ، مكدسات البليت ، شاحنات البليت ، كاسحات ، شاحنات العمل الجوية ، إلخ.
التخصيص الاختياري
نسبة التخفيض اختيارية (كما هو مذكور أعلاه) لتناسب مختلف المقايضات السرعة/عزم الدوران.
من الميزات المذكورة أعلاه ، إليك المزايا التي يوفرها هذا المنتج في النشر العملي:
قدرة تحميل وجر عالية بسعة حمل مصنفة من شجر: من شجر محتمل يصل إلى ~ من شجر إن HL230 مناسب تمامًا للتطبيقات الشاقة نسبيًا في AGVs أو معدات مناولة المواد ، مما يوفر متانة للأحمال الثقيلة المعتدلة مقارنة بعجلات القيادة الأخف.
نطاق سرعة جيد: توفر سرعة سفر تصل إلى ، mr/min إنتاجية جيدة للعديد من المهام اللوجستية الداخلية أو أتمتة المصنع. يعني الجمع بين تخفيض قوة المحرك أنه يمكنك مطابقة السرعة مقابل عزم الدوران لتطبيقك.
المرونة من خلال نسب التروس: تسمح نسب الخفض الاختيارية للمصممين بتخصيص سرعة أعلى أو عزم دوران أعلى وفقًا لسيناريو الحمل/القيادة-تقدم منصة قابلة للتكوين بدلاً من مواصفات ثابتة واحدة.
إطار متين وتصميم للبيئات الصناعية: توفر مواد الإطارات (البولي يوريثان/المطاط) مزيجًا جيدًا من الإمساك والمتانة وامتصاص الصدمات. حجم العجلة φ230 × 75 كبير ومصمم للتعامل مع الأحمال الثقيلة مع الثبات.
فرامل متكاملة ونظام قيادة موثوق: ب مدمجيسمح جهاز التحريك (16 دولارًا نانومتر) عند التيار المستمر 24 فولت بأن تحتفظ العجلة بموضعها بشكل آمن عند الحاجة (مهم في سيناريوهات الإيقاف/الإيقاف AGV). يتضمن ترتيب علبة تروس محرك التيار المتردد تصميم محرك ميكانيكي ناضج للاستخدام الصناعي.
تكامل مبسط لـ AGVs والروبوتات: بما أن المنتج يستهدف AGVs ، مكدفات البليت ، كاسحات إلخ ، فمن المحتمل أن يدعم أقواس التثبيت/القيادة القياسية والواجهات ، السماح لمدمجي الأنظمة بتبنيها بسهولة أكبر.
خيار القيادة العمودية ذات الكفاءة في المساحة: كونها عجلة قيادة عمودية (مصممة لقيادة وحدات العجلات المثبتة عموديًا) تساعد عند تقييد المساحة أو لمحركات القيادة السفلية حيث تكون الغرفة الجانبية محدودة.
المتانة والموثوقية: يميل تصميم تقليل تروس المحرك الحثي إلى أن يكون قويًا ، وينطوي على مشكلات صيانة أقل (تآكل أقل من بعض محركات الأقراص أو السلسلة) وهو أكثر ملاءمة للاستخدام الصناعي المستمر.
اتصل بنا للحصول على حل نظام القيادة الخاص بك AGV.
هاتف:
عبر الإنترنت:
العنوان:
No. 17, Jingwu Road, Pingdu Economic Development Zone, Qingdao, Shandong 266700, China.